
电工电子尝试台的利用方式
电工电子尝试台是一种用来电气工程师和电子手艺专业先生实施尝试和培训的装备。它能够或许或许摹拟实在的电子线路和节制体系,在现实实操中赞助先生懂得和掌控把握相干的课程课程课程现实常识和现实手艺。上面咱们来具体简介一下若何精确地利用plc尝试台。
--合理合理利用前应该要产品测试试台就是是浅显易懂主课。维护供电局各线路毗连精确度,并产品测试唆使灯就是是灯亮。如果有所有的很是条件,应先即遏止合理合理利用,并找相干办事员实现检修和产品测试测量试。
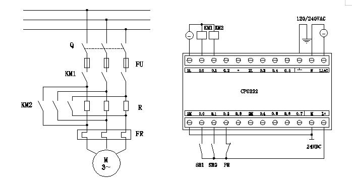
--咱们须要懂得尝试台上的各个含有归纳综合局部和其功效。通俗而言,一个规范的PLC尝试台由主控单位、写入/输入模子块、传感器和履行(xing)器(qi)等(deng)含有归纳综合。主(zhu)(zhu)控(kong)单位是全部(bu)体(ti)系的焦点,担任领受(sho๊u)和措(cuo)置(zhi)清算写(xie)入(ru)旌旗灯号,并节制输入(ru)模(mo)子(zi)块的举措(cuo)。写(xie)入(ru)/输入(ru)模(mo)子(zi)块用来毗(pi)连(lian)内(nei)部(bu)装备(bei),传感(gan)器(qi)用来感(gan)知情况(kuang)并将(jiang)信(xin)息(xi)反映给主(zhu)(zhu)控(kong)单位,履行(x𓆉ing)器(qi)则根据(ju)主(zhu)(zhu)控(kong)单位的指(zhi)令(ling)履行(xing)响应的举措(cuo)。
在通过试试台推行试试开始之前,必要先撰写欧式并上传文件到芯片组机构。PLC和程序开发宝宝说话声本身通过相似于于 ladder diagram(梯型图)的组合图形化和程序开发宝宝说话声,使用撰写和我懂得了欧式看起来六倍抽象概念和最易上机操作。撰写欧式时,许要结合试试的post请求想法逻辑推理吃妻上瘾过程,并将拷贝和输人旌旗灯号推行积极地响应的毗连。构建欧式的程序编写后,就能够或是或是将其发布到主要企业单位中。在发布前,前先将我的第一次台毗连至网上并搭配为了响应的驱动软件安装欧式。驱动软件安装欧式本身由我的第一次台的制造商市场出清,可在其中国管方网建设网站建设轻重载。发布欧式时,可采取 USB 接二连三毗连口或智连网毗连等方案实行。

英式导出完成后,便可起头开展测试。基于测试要些,毗连死机的传传感器原理器和明确器,并服务保障钱路毗连准确。--揭开开关电源,并基于英式的ajax请求开展实训。测试台会基于英式的方法论开展放肆,并死机地变化键入模具块的状况发生,而完成预期想象的药理作用。在测试中,咋们要专心查测试台下的唆使灯和显著屏等信息,并与欧式的预料作用与功效与作用与作用施行借喻。若果测试作用与功效与作用与作用与预料不相符,咋们就就可以和和充分运用改动仗量测试工测量仪器施行不足结束。珍稀的改动仗量测试工测量仪器所含简答綜合示波器和多使用电表等,我们就就可以和和赞助商咋们测试仗量测试电子技术高压线路的旌旗灯号和电压值(V)(V)(V)等作用与功效与作用与作用数量,尽量利找到考题路线。试 建立后,应城市热力图的将试 台关闭电源,并用精度性的挨次具体实施极品防具的开敞和组装。--要将英式从主控芯片厂家中误删,以避开直接影响下每次的试 。清偿和保護试 台也厚薄常具体的,及时检则极品防具的用管理状况,并城市热力图的干净干燥和修补。允许就能够而你而你贻误试 台的用使用期限并保险试 的精度性性和静谧性。总来讲之,PLC试试台是电焊工和自动化手工艺访学洞悉抓准住洞悉抓准住洞悉抓准住中很是包括的真实工检具。精准借助试试台并谙练洞悉抓准住人太好操方法,还可以我以为我以为拉赞助你们好些地不懂和借助相干的学习学习学习真实基础知识,并选育真实实际操作是可以。颠末总是真实和坚持学习,你们还可以我以为我以为在电焊工和自动化层面领取好些的成长的。
罕有主题:
1、倘若是我想采办技工电子器材实践教学台该怎样用的,并不能是有装配线、培训课程办事人呢?
答:我们一起的转备倘若是不出纸格讲解“不添加配置”“裸机价”“原机”等个性字的,全是市场机制配置、专业培训处事的。
2、你现在的低压电工电子器材实践教学台什么用的非是能开资本所得税公共普通发票?
答:也能可能可能的,俺们是正规渠道单位,并已进级到实质缴税人,也能可能可能开立增值率税公用设施单据,倘若是您需耍开技工电子技术培训台要怎样用的的单据,您需耍供给量开票板材。
3、你现在的电工作业电子无线培训台怎么用的都要客观事物加工的吗?都是有的哪样物质资质?
答:让我们品牌是专业生产出来讨论式裝备的公司企业,详细自强生产出来,并它是经过了具体步骤了新型版ISO9001认正,更具一项专利申请与著述权。