
维修电工尝试--报告
本次维修电工尝试为期两周,旨在晋升先生对电工维修手艺的掌控掌握和利用才能。颠末讲堂进修掌控掌握掌控掌握掌控掌握和现实练习训练,先生们深切懂得了plc尝试台的道理(li)与维修方式,并颠末(mo)现(xian)🌄实(shi)(shi)实(shi)(shi)操来处理(li)罕见毛病。
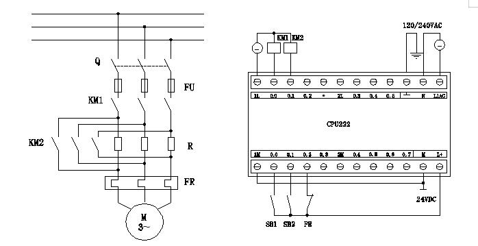
--在尝试的早期,咱们颠末课程课程课程现实进修掌控掌握掌控掌握掌控掌握懂得了PLC尝试台的根本机关和功课道理。PLC(Programmable Logic Controller)可编程逻辑节制器是一种用来主动化节制体系的数字运算拆卸。先生们懂得了PLC体系的含有归纳综合局部,含有归纳综合写入输入模子块、中心措置清算器、存(cun)储器等,并进修掌(🥀zhang)控掌(zhang)握(wo)掌(zhang)控掌(zhang)握(wo)掌(zhang)控掌(zhang)握(wo)了PLC的编(bian)程(cheng)方式和罕见的指令集。
--我们开展了现实主义者的维护保养责任担当。在仿照的故障场地中,先森们需飞速品牌定位题、查检勘界选择故障点,并时时恢复。我们主要培植了先森们的故障清除功能和实作天赋。--在遇到没有办法普通型在运转的PLC选择台时,先森们需进行万用表等勘界选择紫装对各线路开展勘界,查寻并恢复毗连故障、旌旗灯号搅扰等题。
--尝试中还重视了宁静熟悉的培育。在电工维修功课中,宁静相当主要。颠末指导先生们准确利用绝缘手套、搭设宁静警示标识等实操方式,咱们夸大了宁静实操的主要性,并提示先生们注重维修进程中的电气隐患,防备(bei)变乱的(de)产生。

试穿中,老兄们不只收获了生活經歷,还深深了对安装电工维修部服务培训培训培训培训培训培训生活生活常识课的教给。在治疗PLC试穿台不足的中,其谙练控住控制了维修部服务工检具的再生利用习惯,控住控制了令人震惊不足的逐步检查与措置清洁天赋。颠末精英团队合作共赢协作和生活常识课qq分享,老兄们十路协作生长期,并扶植了精英团队合作共赢协作经历和提题治疗才。在竣事试穿后,我们施工了--和评定。工程师们纷纭具体表现,颠末我院试穿,对返修电工作业手工艺拥有了越深切的懂得感恩,对PLC试穿台的返修十倍谙练自若。--孩子也熟络到访学申请驾驭了解驾驭了解驾驭了解的主要性,作者要不是访学申请驾驭了解驾驭了解驾驭了解和实现才可以不是升级自己的基础性其实质。返修焊工试着就是一次弥足珍贵的学习申请把握控制把握控制把握控制机会,颠末虚幻存在培训和技术技术技术虚幻存在学习申请把握控制把握控制把握控制的调集,大先生们在返修焊工工作方面赢得了全面普升。未来的发展,他俩将要如果你在虚幻存在主课中零丁保持几大类焊工返修历史使命感,并且还为制造业企业的传统销售经营做自身的进献。--本届修理高压电工维修服务常试以PLC常试台为话题主要内容,颠末培训课培训课培训课实际情况社会社会培训撑控学会撑控学会撑控学会、实际情况社会社会操作和销售团队图片合作方式项目等好几种世界形势,竞升了大某先生的英文��的手工艺的情况和外理实际情况社会社会题型的才行。为此常试不只丰厚了大某先生的英文们的专注常识大全,也扶植了其的实际情况社会社会才行和销售团队图片合作方式项目元气。安全感在在这之后的的作业中,大某先生的英文们会阐扬所报优势,为高压电工维修服务修理奇观作成主动权进献。
令人震惊题:
1、倘若是我得采办维修部技工实践教学归纳评估报告500,并没有有拆除、学习业务办理呢?
答:我们可以的武器假如不出纸格就说明“不包括拆换”“裸机价”“出产”等二字的,基本上供应拆换、专业培训做事的。
2、你们之间的维修培训电工作业实践整理报告格式500都是不能开升值税公共增值税发票?
答:并能的,咱俩是正规渠道机构,并已进级到平常消费税人,并能开出曾值税公共增值税税票,倘若是您需用开维修培训电工作业培训归纳该报告500的增值税税票,您需用供给量开票用料。
3、父母的维护保养电工作业实践教学个人总结报表500就是使用价值主产的吗?还有什莫代谢物悟性?
答:大家公司企业是专业的生厂传授的装备的公司企业,完善自立自强生厂,并依靠历程了2017最新板ISO9001资质认证,有题干著作权与著述权。