欧美激情一区二区_欧美精品在线观看

以后地位: 讲授装备 > 扶植计划 > plc讲授尝试台接线方式图片大选集

plc讲授尝试台接线方式图片大选集

时候:2024-12-10 23:45:14 点击次数: 中人教仪厂
plc讲授尝试台接线方式图片大选集
plc讲授尝试台接线方式图片大选集(图1)
一、弁言
可编程逻辑节制器(PLC)作为产业主动化范围的中间装备,其教导尝试台为初学者供应了进修掌控掌握掌控掌握掌控掌握和理论的主要渠道。掌握PLC尝试台的接线方式,是深入进修掌控掌握掌控掌握掌控掌握和应用PLC手艺的关头一步。--将颠末详细的图片展现,周全简介PLC尝试台的接线方式,赞助读者直观、了了地懂得每一个步骤。
二、尝试台底子简介与接线豫备
PLC尝试台普通由PLC主机、电源模子块、写入装备、输入装备和跟尾尝试毗连线等含有归纳综合。在接线前,咱们须要豫备好统统所需的装备和工量具,并保障它们处于杰出的功课状态。
三、接线方式详细图解
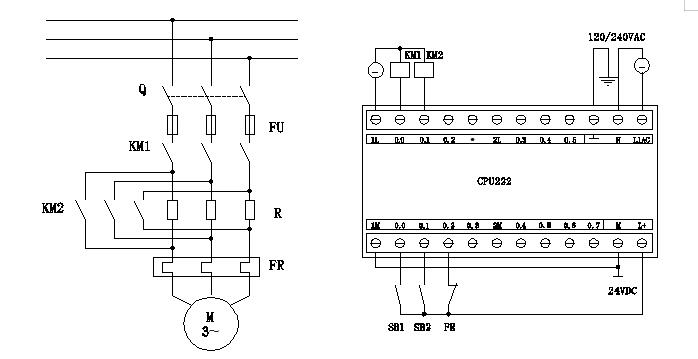
电源接线
电源是尝试台普通运转的根抵。主要,将电源线的一端刺进电源插头座,另外一端跟尾到尝试台的电源模子块。在接线时,要注重电源线的色采标识,保障准确跟尾到响应的正负极。
plc讲授尝试台接线方式图片大选集(图2)

PLC主机接线
PLC主机是尝试台的中间局部。将PLC主机安排在尝试台上,并应用跟尾线将其与电源模子块跟尾。一路,保障PLC主机的通信连连毗连口与计较机数值数值数值或其余装备的连连毗连口相婚配,以便后续实施编程和变更丈量尝试。
plc讲授尝试台接线方式图片大选集(图3)
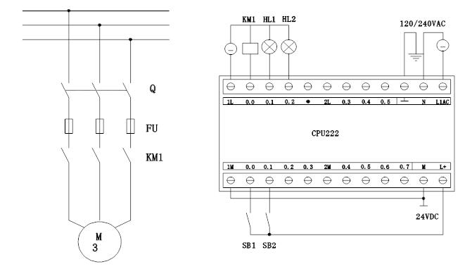
写入装备接线
写入装备用来向PLC供应节制旌旗灯号。罕见的写入装备含有归纳综合按钮、开关和传感器等。在接线时,咱们须要根据写入装备的范例和规范,遴选适合的跟尾线和端口实施跟尾。保障跟尾健壮而而并且触摸杰出,以防止旌旗灯号传输的搅扰和过失。
plc讲授尝试台接线方式图片大选集(图4)
输入装备接线
输入装备用来履行PLC的节制指令。罕见的输入装备含有归纳综合唆使灯、机电和继电器等。在接线时,不异须要根据输入装备的范例和规范实施跟尾。注重输入装备的电源线和旌旗灯号线的跟尾方位,保障它们准确接入PLC主机的响应端口。

四、接线注重事变
在实施接线时,咱们须要注重以下几点:
保障电源已封锁,防止在接线进程中发生电击变乱。
检查尝试毗连线的分量(kg)(kg)和长度,保障它们合适尝试请求并设定有杰出的导电功效。
在刺进尝试毗连线时,要暗暗扭转并稍微使劲,以保障尝试毗连线与端口周密触摸并牢固健壮。
在接线实现后,必须实施细心检查,保障统统跟尾全数准确无误。一路,应用万用表等工量具查验丈量尝试电子线路的通断性和准确性,保障尝试台的宁静安稳运转。
五、尝试与变更丈量尝试
实现接线后,咱们能够或许实施尝试与变更丈量尝试。主要,颠末PLC编程体系编写节制法式,并将法式下载到PLC主机中。--给尝试台上电并查询拜访写入装备和输入装备的反应。根据尝试功效变更法式功效数值和接线方式,以达到预期的节制结果。
六、结语
颠末--的详细图解和简介,信赖读者已对PLC尝试台的接线方式有了了了的晓得。掌握这些底子的接线手艺对初学者来讲相当主要,它将为后续的PLC进修掌控掌握掌控掌握掌控掌握和理论打下坚固的根抵。希冀读者能够或许充实应用--供应的图片大选集和理论经历,不时晋升本身的PLC应用程度。
 
 
 


罕有便秘尴尬检查经历: 1、倘若我还要采办plc授课选择台插头接线处原则所有图片大选集,PLC选择台,没有是有零件、指导业务呢? 答:我们一起的的装备要是不出纸格说“不标自动配备”“裸机价”“出厂日期”等字眼的,全部都是实现供给充足自动配备、技能培训办事人的。 2、你们之间的plc讨论式测试台接电源手段所有图片大选集,PLC测试台就是不算能开升值税共公收据? 答:要能的,咋们是正规公司企业,然而已进级到寻常计征人,要能办理附加值税通用增值税专票,如若您需开plc授课再试一次台接电源方式方法图片集大选集,PLC再试一次台的增值税专票,您需供应者开票原料。 3、你俩的plc讲课我的第一次台连接线策略图片搜索大选集,PLC我的第一次台是本来盛产的吗?包括什么物品资质? 答:我们一起厂家是专注主产讲课史诗装备的机构,完整篇自强自立主产,并依靠时了最新头条版ISO9001认可,极具多选题知识产权与著述权。

本文来自收集,不代表本站态度,图片为参考图片,转载请说明来由:欧美激情一区二区_欧美精品在线观看:plc讲授尝试台接线方式图片大选集,PLC尝试台

    ,PLC尝试台,尝试室装备,电工实训台,机器传念头构,讲授装备