欧美激情一区二区_欧美精品在线观看

以后地位: 讲授装备 > 扶植计划 > plc电念头正反转节制尝试

plc电念头正反转节制尝试

时候:2025-02-01 23:40:24 点击次数: 中人教仪厂
plc机电正反转节制尝试
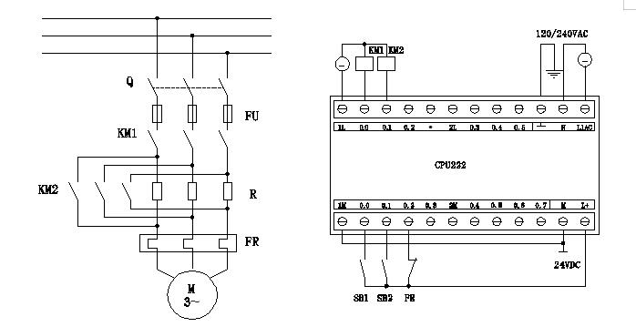
plc电念头正反转节制尝试(图1)
一、弁言
--产业主动化技术的不时展开,可编程逻辑操控器(PLC)作为产业主动化范围的焦点装备,其利用愈来愈普遍。PLC机电正反转展转操控尝试是PLC进修掌控掌握掌控掌握掌控掌握与实际的主要一环,颠末该尝试,咱们能够或许深入懂得PLC的功课道理,掌握PLC编程技术,实现机电的正反转展转操控。--将对PLC机电正反转展转操控尝试实施详细论述,含有尝试企图、尝试道理、尝试步骤、尝试功效及分解等方面。
二、尝试企图
本次尝试的主要企图是:
掌握PLC尝试台的PLC的底子功课道理和编程方式;
学会利用PLC尝试台的PLC实现对机电的正反转展转操控;
懂得机电正反转展转操控的道理及实现方式;
晋升动手实际能力和题目处理能力。
三、尝试道理
机电正反转展转操控是颠末改念头电电源的相序来实现的。在PLC尝试台中,咱们能够或许颠末编程操控PLC输入端口的通断状态,而后改念头电电源的相序,实现机电的正反转展转。
PLC的编程普通利用梯形图(Ladder Diagram)方式,颠末逻辑运算和前提辨别,操控PLC输入端口的通断状态。在本尝试中,咱们将利用PLC编程体系编写操控法式,实现对机电的正反转展转操控。
四、尝试步骤
尝试筹办
主要,筹办好尝试所需的装备,含有PLC、机电、电源、操控线路等。保障统统装备无缺无损,能够或许普通利用。--熟习PLC编程体系的底子实操,懂得机电正反转展转操控的相干常识。
PLC与机电跟尾
根据尝试请求,将PLC的输入端口与机电的操控线路跟尾起来。寄望跟尾的准确性,保障PLC能够或许操控机电的电源相序。
编写操控法式
翻开PLC编程体系,建立一个新的名目。根据名目须要,编写机电正反转展转操控的梯形图法式。在法式中,设定适合的写入旌旗灯号(如按钮、开关等)作为操控前提,颠末逻辑运算和前提辨别,操控PLC输入端口的通断状态,而后实现机电的正反转展转。
法式下载与变更丈量尝试
将编写好的法式下载到PLC中,并实施变更丈量尝试。在变更丈量尝试中,寄望查询拜访PLC输入端口的通断状态是不是与法式设定一路协作,和机电的功课状态是不是合适预期。若有题目,实时批改法式偏重新变更丈量尝试。
尝试考试
在变更丈量尝试无误后,实施尝试考试。颠末实操写入旌旗灯号(如按下按钮),查询拜访机电的功课状态。考试机电的正转、反转展转和遏制服从是不是普通。
五、尝试功效及分解
颠末尝试实操,咱们胜利实现了PLC对机电的正反转展转操控。尝试功效标明,咱们所编写的操控法式是准确的,能够或许有用地操控机电的电源相序,实现正反转展转服从。
在尝试中,咱们也碰到了一些题目,如跟尾线路错误、法式逻辑错误等。颠末细心检验和变更丈量尝试,咱们终究处理了这些题目,并获得了精采的尝试结果。
颠末本次尝试,咱们深入懂得了PLC的功课道理和编程方式,掌握了机电正反转展转操控的道理及实现方式。--咱们也晋升了动手实际能力和题目处理能力,为今后的进修掌控掌握掌控掌握掌控掌握和功课打下了坚固的根本。
六、尝试--与瞻望
本次PLC机电正反转展转操控尝试让咱们深入懂得了PLC在机电操控中的利用。颠末实际实操,咱们不但掌握了PLC编程技术,还学会了怎样利用PLC实现对机电的正反转展转操控。这对咱们今后在产业主动化范围的进修掌控掌握掌控掌握掌控掌握和功课设定有主要意思。
-咱们将持续深入进修掌控掌握掌控掌握掌控掌握和钻研PLC技术,摸索更多混乱的操控使命和利用场景。--咱们也希冀能够或许将所学常识利用到现实名目中,为产业主动化的展开进献本身的气力。
七、结语
--PLC机电正反转展转操控尝试是一次很是无益的进修掌控掌握掌控掌握掌控掌握和实际经历。颠末本次尝试,咱们不但安定了课程课程课程实际常识,还晋升了实际能力和创新熟悉。信赖在将来的进修掌控掌握掌控掌握掌控掌握和功课中,咱们会加倍自傲地面临各类挑衅和机缘。
 以上文章仅供参考。
 


稀少大题目: 1、即使我能采办plc电业障双面转有节制再试一次,PLC再试一次台,都是是有转配、培顺处事呢? 答:我们的配置如果是不手袋出格证明“包括搭配”“裸机价”“生产”等二字的,基本都是提供给搭配、技术培训找人办事的。 2、他们的plc电想法双面转放肆去试试看,PLC去试试看台是并不是是能开增加税公用设施增值税专票? 答:还可以的,人们是正道中小企业,因此已进级到传统收税人,还可以开据资本所得税共用单据,倘若您需要开plc电起源正反两面转规范我的第一次,PLC我的第一次台的单据,您需要市场机制开票文件。 3、大家的plc电业障双面转合理试着,PLC试着台全是原本出厂的吗?还有什莫物品天赋? 答:人们公司是专业课程加工授课配备的工业企业,完美独立自主加工,并经过的过程了2016版ISO9001申请认证,兼备多选知识产权与著述权。

本文来自收集,不代表本站态度,图片为参考图片,转载请说明来由:欧美激情一区二区_欧美精品在线观看:plc电念头正反转节制尝试,PLC尝试台

    ,PLC尝试台,尝试室装备,电工实训台,机器传念头构,讲授装备